您好!欢迎光临东莞演丰电子有限公司官方网站

全国服务热线:

0769-23068188 198-7996-3138
微信

(扫码添加微信)

banner

    联系我们

    CONTACT US
  • 联系我们
  • 联系电话:0769-23068188
  • 联系手机:198-7996-3138
  • 联系人:黄小姐
  • QQ:3049068653
  • 邮箱:marketing@cf-switch.com
  • 地址:广东省-东莞市横沥镇西裕路13号1号楼

轻触开关

您当前得位置:

首页 >> 产品中心 >> 轻触开关
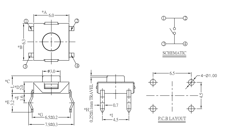
  • TS-57V

TS-57V

微信二维码 微信扫码咨询

全国咨询服务热线:

0769-23068188 198-7996-3138
产品详情

`$`YPJ3SES`9B3OH{CYZ6GD.png